The following post explains a very simple yet safe Li-Ion battery charger circuit using just a single IC LP2951.
Unlike lead acid batteries one good thing about the Li-Ion batteries is that they can be charged at 1C rate initially. It means the charging current may be as high as the rated AH of the battery at the onset.
The design presented in this article can be used for charging a single 3.7V Li-ion cell or a standard cell phone battery externally at a relatively slower rate.
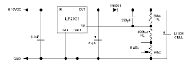
The diagram depicts a configuration which was used for charging a Li-Ion cell of a portable stereo unit.
The charging specification of the circuit may be summarized as under:
- Maximum charging current = 150mA
- Full charge volt = 4.2V +/- 0.025V
- Charge Current = set at current limit charge mode.
The device also features an in-built current regulation system which limits the output from producing current above the 160mA mark.
Furthermore the IC is entirely short circuit proof and incorporates a thermal shut down facility.
The shown resistor values are precisely selected such that the IC generates an exact 4.2V at its output where the cell is connected.
The trimmer is added for refining the voltage in case there's any discrepancy with the resistor tolerance and ratings.
Initially when the particular discharged cell has a voltage level that's below the 4.2V, the IC generates maximum current to the cell which is around 160mA as discussed above.
This initial current uplift charges the cell rapidly so that it attains the full charge rated value of 4.2V at an earliest.
Once the terminal voltage of the Li-Ion cell reaches the 4.2V mark, the IC LP2951 instantly inhibits the current so that the battery can longer exceed the 4.2 V level.
The above process highlights the ICs constant voltage regulation capability during the charging cycle.
The big value resistors included in the circuit ensures the "OFF" current drain of the battery to below 2mA, the 330pF capacitor stabilizes the circuit from unwanted noises created at the high-impedance feedback node.
The diode at the output is obviously for preventing the back flow of the battery voltage into the IC in the absence of input voltage.
courtesy - http://www.ti.com/lit/an/snva557/snva557.pdf


0 comments:
Post a Comment